Паровой котел 0.7 т / 700 кг / 1,7 кгс/cм² / 0,17 МПа / 130 °C - мазут, отработанное масло в Благовещенске

  • Стабильная выработка сухого пара независимо от нагрузки котла
  • Стабильная выработка сухого пара независимо от нагрузки котла
  • Высокая надежность конструкции благодаря отсутствию температурных расширений
  • Возможность подпитки котла даже холодной водой +5 ºС
  • Удобная очистка поверхностей нагрева без остановки котла
  • Работа на самотяге, дымосос не требуется даже при плюсовых температурах
Изготовим
под заказ
Цена с НДС на паровой котел 0.7 т / 700 кг / 1,7 кгс/cм² / 0,17 МПа / 130 °C - мазут, отработанное масло с доставкой в
от 0 рублей
Условия в
В наличии на складе
Доставка ТК по России и Казахстану
Безналичный расчет
Есть в наличии
Можно купить в лизинг
Паровой мазутный котел 700 кг
Мазутный паровой котел 700 кг
Котел паровой 700 кг на мазуте
Паровой котел 700 кг на мазуте
Паровой мазутный котел 700 кг в час изготовление
Изготовление парового мазутного котла 700 кг в час
Паровой мазутный котел 700 кг в час устройство
Устройство парового мазутного котла 700 кг в час
Паровые котлы 700 кг на мазуте производство
Производство паровых котлов 700 кг на мазуте
Паровой мазутный котел 700 кг
Котел паровой 700 кг на мазуте
Паровой мазутный котел 700 кг в час изготовление
Паровой мазутный котел 700 кг в час устройство
Паровые котлы 700 кг на мазуте производство
Видеообзор
Вид топки Мазутная горелка
Топливо Мазут
Температура пара, не более 130 °С
Давление пара, не более 0.17 МПа
Технические
характеристики
Описание
товара
Комплект
поставки
Дополнительное
оборудование
Монтаж и схемы
подключения
Сертификаты
и гарантии

Технические характеристики парового котла 0.7 т / 700 кг / 1,7 кгс/cм² / 0,17 МПа / 130 °C на мазуте и отработанном масле

Тип Паровой котел Е
Бренд STEAMEXPERT
Вид топки Мазутная горелка
Конструкция котла Жаротрубный
Производительность 700 кг/ч
Производительность 0.7 т/ч
Максимальная тепловая мощность 0.52 МВт
Диапазон регулирования мощности 40-100 %
Топливо Мазут
Низшая теплота сгорания проектного топлива 9260 кКал/кг
КПД котла на УГЛЕ 90 %
Расход МАЗУТА при максимальной нагрузке котла 54 кг/ч
Расход условного топлива 71 кг/ч
Температура пара, не более 130 °С
Давление пара, не более 0.17 МПа
Давление пара, не более 1.7 кгс/см²
Давление пара, не более 1.7 бар
Полный объем котла 2.11 м³
Объем паровой части 0.19 м³
Аэродинамическое сопротивление 51 (5.1) Па (мм. вод. ст.)
Тяга Естественная
Объем топочной камеры 0.85 м³
Размер топочной камеры, диаметр*глубина 800х1700 мм
Присоединительные размеры выхода пара 80 Ду
Присоединительные размеры по водяному тракту 32 Ду
Присоединительные размеры по дымовым газам / дымовая труба 250 Ду
Габаритные размеры котла, длина*ширина*высота 3350х1550х1650 мм
Масса 2600 кг
Марка STEAMEXPERT
Энергоэффективность Высокая
Чертеж мазутного парового котла 700 кг 130 С
Мазутный паровой котел 700 кг 130 С чертеж
Чертеж парового котла 700 кг 130 С на мазуте
Паровой котел 700 кг 130 С на мазуте чертеж

Конструкция и преимущества парового котла STEAMEXPERT 0.7 т / 700 к / 1,7 кгс/cм² / 0,17 МПа / 130 °C- на мазуте и отработанном масле в Благовещенске

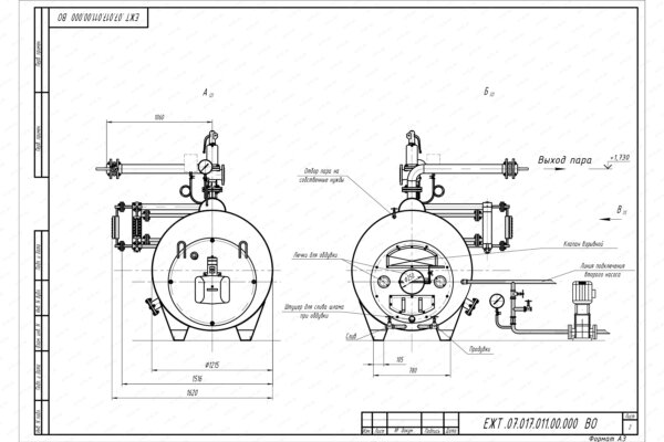
Промышленный прямоточный паровой котел на мазуте STEAMEXPERT Е 0.7 0.17 130 ТЖ – выполняется напольной горизонтальной жаротрубной конструкцией. Сам котельный блок состоит из двух обечаек разного диаметра, вставленных одна в другую и соединенных между собой фланцами. Пространство между обечайками заполняется водой. В верхней части котла устанавливается полуцилиндр - это паросборная камера в которой собирается и сепарируется пар.

Обечайка меньшего диаметра (внутренняя) – это жаровая труба. В передней части жаровой трубы размещена топочная часть с отверстием под горелку, в задней части - конвективный пучок труб.

Благодаря большому объему нагреваемой в котле воды и зеркалу испарения, жаротрубный котел паровой Е 0,7-0,17 на мазуте с температурой пара 130 С имеет следующие преимущества:

  • потребитель получает сухой пар. Сепарационные устройства препятствуют выносу капель воды с зеркала испарения и капель конденсата образующихся на внутренних стенках паропроводов мазутного котла;
  • независимо от нагрузки происходит бесперебойная подача пара;
  • паровой котел 700 кг час на отработкеБлаговещенск не боится подпитки даже холодной водой;
  • тепловые расширения металла минимальны поэтому жаротрубный котел обладает высокой надежностью и долговечностью.

Для удобства обслуживания в процессе эксплуатации в конструкции котла предусмотрены следующие технические решения:

  • наружные сажистые отложения очищаются системой обдувки конвективного пакета паром прямо в процессе работы без остановки котла. Для осмотра конвективных поверхностей нагрева, в задней части газоплотный цилиндрический паровой котел КП 0.7 0.17 на мазуте и отработанном масле имеет люк для очистки;
  • в задней части котла устанавливается продувочный штуцер Ду 25 для удаления образующегося в котле шлама;
  • на паросборной камере и водомерной колонке установлен вентиль Ду 15 для спуска воздуха при подготовке к работе.
Паровой котел газовый с дымовой трубой

К фронтовой плите котла крепится горелка для подачи топлива в топку котла через амбразуру. Промышленные паровые котлы на мазуте работают с длинофакельными горелками ILKA.

На задней крышке котла в основании дымовой трубы выполнен предохранительный взрывной клапан.

Дымовая труба может проходить как по наружной стене помещения, так и через кровлю котельного помещения.

Производственный стационарный паровой котел Е 0.7 тонн пара в час на мазуте и отработанном масле российского производства подпитывается из питательного бака через электронасос, соединительную арматуру.

Для подпитки желательно устанавливать два насоса – один рабочий и второй резервный.

На боковой части корпуса устанавливается водомерная колонка (датчик уровней воды) и два указателя уровня, связанная с паровым и водяным пространством котла соединительными трубками.

Применение паровых котлов

Наши жаротрубные паровые котлы промышленные на мазуте производительностью 700 кг пара Россия применяют при производстве ЖБИ изделий, для изготовления пенопласта, химические и фармацевтические предприятия, строительные организации, бетонные заводы, больницы, общественные заведения, воинские части, автоколонны, ДСУ, бани, предприятия нефтегазовой, кожевенной, перерабатывающей промышленности. В пищевой промышленности жаротрубные котлы паровые на отработке используют для разморозки, подогрева, пастеризации, стерилизации тары такие предприятия, как спиртзаводы, молочные заводы, птицефабрики для тепловой обработки кормов и ошпаривания птиц, мясокомбинаты и консервные заводы, хлебозаводы, мелькомбинаты, маслосырзаводы, свинокомплексы.

Монтаж котла
Газовый паровой котел схема

Стальной горизонтальный котел паровой 700 кг в час в отработанном масле для производства пара поставляется блоками максимальной заводской готовности. Котельный блок устанавливается в котельной на специально подготовленную ровную поверхность. Котельный блок подсоединяется по воде, устанавливается запорная арматура на подводящем трубопроводе и отводящем паропроводе, устанавливаются предохранительные клапаны и контрольно-измерительные приборы. Подключается горелка и автоматика. Типовые монтажные схемы вы можете изучить в разделе схемы подключения данного товара.

Чтобы перевести паровой котел КП на мазуте теплопроизводительность 700 кг в час в водогрейный режим достаточно изменить схему подключения и установить другие предохранительные клапана.

Купить паровой котел Е 0.7-0.17-130 ТЖ на мазуте

Для того чтобы купить паровой котел 700 кг пара в час на отработке, давлением 0.17 МПа и температурой 130 С в Благовещенске вы можете сделать заявку в отдел сбыта по телефону 8-800-700-06-43, либо оформить заявку через сайт или почту. Менеджеры дадут консультацию по подбору вспомогательного оборудования для выбранных вами моделей и рассчитают стоимость доставки. Доставка до вашего населенного пункта может осуществляться авто, железнодорожным и речным транспортом.

Если вы затрудняетесь с выбором нужной паропроизводительности, мы можем осуществить подбор, для этого нужно заполнить опросный лист или описать ваш техпроцесс.

Комплект поставки парового котла 0.7 т / 700 кг / 1,7 кгс/cм² / 0,17 МПа / 130 °C на мазуте и отработанном масле

Цена парового котла 0.7 т / 700 кг / 1,7 кгс/cм² / 0,17 МПа / 130 °C на мазуте и отработанном масле включает в себя предохранительные клапаны, запорную арматуру и КИП в пределах котла. Ниже приведена подробная информация.

Дополнительное оборудование парового котла 0.7 т / 700 кг / 1,7 кгс/cм² / 0,17 МПа / 130 °C на мазуте и отработанном масле

Для эффективной и надежной работы парового котла 0.7 т / 700 кг / 1,7 кгс/cм² / 0,17 МПа / 130 °C на мазуте и отработанном масле вам потребуется дополнительное оборудование - насос. Мы предлагаем рассмотреть типовые варианты комплектации.

В случае если у вас на объекте имеется насосное оборудование, мы можем проверить совместимость парового котла 0.7 т / 700 кг / 1,7 кгс/cм² / 0,17 МПа / 130 °C на мазуте и отработанном масле нашего производства и вашего оборудования.

По необходимости устанавливаются золоуловители.

Типовую схему монтажа котла вы можете посмотреть во вкладке схемы подключения.

Монтаж и схемы подключения парового котла 0.7 т / 700 кг / 1,7 кгс/cм² / 0,17 МПа / 130 °C на мазуте и отработанном масле

Жаротрубный паровой котел 0.7 т / 700 кг / 1,7 кгс/cм² / 0,17 МПа / 130 °C - мазут, отработанное масло, предназначен для получения насыщенного пара температурой не более 130 °С и давлением не более 0,17 (1,7) МПа (кгс/cм²) для технологических целей в производстве. Устанавливается в производственных и промышленных котельных.

Монтаж и подключение парового котла 0.7 т / 700 кг / 1,7 кгс/cм² / 0,17 МПа / 130 °C на мазуте и отработанном масле

План расстановки оборудования в паровой котельной

Для правильного подключения парового котла 0.7 т / 700 кг / 1,7 кгс/cм² / 0,17 МПа / 130 °C на мазуте и отработанном масле в котельной необходимо оставить проемы для обслуживания оборудования во время эксплуатации. Эти расстояния рекомендованы СНИП II-35-76. На данной схеме представлены их размеры. Кроме того мы составили примерный план, как можно произвести расположение подключение оборудования, а также указали перечень минимально необходимого вспомогательного оборудования для работы котла.

К вспомогательному оборудованию при работе парового котла 0.7 т / 700 кг / 1,7 кгс/cм² / 0,17 МПа / 130 °C на мазуте и отработанном масле относятся:

  • питательные насосы (1 рабочий, 2 резервный);
  • бак запаса воды;
  • охладитель проб отбора воды;
  • система водоподготовки котловой воды;
  • горелочное устройство;
  • автоматика котла.

Водоподготовительная установка подбирается на основе данных химического анализа воды, проводимого специализированной лабораторией.

Система питания парового котла 0.7 т / 700 кг / 1,7 кгс/cм² / 0,17 МПа / 130 °C на мазуте и отработанном масле

Система питания котла

При работе котла питание водой парового котла 0.7 т / 700 кг / 1,7 кгс/cм² / 0,17 МПа / 130 °C на мазуте и отработанном масле производится через штуцер.

Подпитка котла ведется из питательного бака через насос, соединительную арматуру. На трубопроводе подпитки котла водой должно быть установлено запорное устройство и обратный клапан. Запорное устройство должно располагаться между котлом и обратным клапаном.

Для подпитки устанавливается не менее двух насосов с электроприводом. На стороне нагнетания каждого центробежного насоса до запорного органа должен быть установлен обратный клапан.

На трубопроводе выдачи пара, в непосредственной близости от котла, устанавливается запорное устройство.

На котле имеются продувочные штуцера Ду25, Ду15 и Ду10. Штуцер Ду25 предназначен для удаления шлама, образующегося в результате работы котла, периодической продувки котловой воды и для спуска воды в случае необходимости. Штуцер Ду15 предназначен для продувки водомерной колонки. Штуцера Ду10 предназначены для продувки указателей уровня.

В передней части жаровой трубы в верхней части установлена легкоплавкая пробка – предохранительное устройство прямого действия.

На боковой части корпуса устанавливается датчик уровней воды, связанный с паровым и водным пространством котла соединительными трубками не менее Ду25.

На боковой части корпуса устанавливается соединительная труба (колонка), служащая для установки двух указателей уровня, и связанная с паровым и водным пространством котла соединительными трубками не менее Ду25.

На боковой части корпуса внизу у котла имеется ревизия с крышкой, для периодического осмотра состояния поверхностей нагрева со стороны водяного объема.

Схема парового котла 0.7 т / 700 кг / 1,7 кгс/cм² / 0,17 МПа / 130 °C на мазуте и отработанном масле

Схема {{parts_subject_r}}

В передней части жаровой трубы размещена топка, а в задней части - конвективный пучок труб.

В верхней части котла приварен паросборник, представляющий собой полуцилиндр. На паросборной камере устанавливаются предохранительные клапаны и два штуцера Ду15, один для установки электроконтактного манометра, второй для спуска воздуха с котла при заполнении водой при подготовке к работе.

К фронтовой плите котла крепится дизельная горелка для подачи топлива в топку котла через амбразуру.

На задней крышке в основании дымовой трубы выполнен предохранительный взрывной клапан.

Образующиеся в топочной камере продукты сгорания проходят конвективный пучок труб и выводятся через трубу дымовую, установленную на корпусе в хвостовой части котла.

Отвод пара парового котла 0.7 т / 700 кг / 1,7 кгс/cм² / 0,17 МПа / 130 °C на мазуте и отработанном масле

Отвод пара {{parts_subject_r}}

Предохранительные клапаны предназначены для стравливания давления в котле при превышении допустимого значения. На котле установлено самопритирающиеся предохранительных клапана пропускной способностью не менее часовой производительности котле.

Принцип работы клапана состоит в том, что при достижении паром номинального давления избыток пара выходит наружу. Клапана оборудованы ручным приводом для открывания при проверке их на срабатывание.

Щит управления совместно с электрооборудованием предназначен для управления работой парового котла 0.7 т / 700 кг / 1,7 кгс/cм² / 0,17 МПа / 130 °C на мазуте и отработанном масле и защиты его при возникновении аварийных ситуаций. На двери щита расположены сигнальная лампа и органы управления работой котла, с табличками, указывающими их назначение. По месту либо на стенке щита крепится сигнальная сирена.

На паросборной камере устанавливается один электроконтактный манометр. При монтаже манометра, показывающего давление пара в котле, должна быть предусмотрена установка трехходового крана между манометром и сифонным устройством. Допускается установка других устройств, позволяющих контролировать показания рабочего манометра, путем подключения в систему контрольного манометра. Электроконтактный манометр выполняет роль датчика давления и предназначен для отключения дутьевого вентилятора и включения аварийной сигнализации при достижении паром предельно допустимого давления.

Датчик уровней служит для подачи команды на включение и отключение питательного насоса котла в процессе работы.

Указатель уровня воды предназначен для визуального контроля за уровнем воды при работе котла. На корпусе указателя крепится рамка или наносятся метки, указывающие верхний и нижний уровень воды.

Легкоплавкая пробка предназначена для сброса пара во внутренний объем топочной камеры в случае упуска воды ниже аварийного уровня и достижения фактического уровня воды на работающем котле ниже верхней кромки жаровой трубы. При этом легкоплавкая пробка перестает охлаждаться котловой водой и нагревается до температуры газов в топочной камере. Из-за нагрева наполнитель легкоплавкой пробки плавится и выдавливается давлением пара в топочную камеру, при этом сбрасывается давление пара и дополнительно гасится пламя.

Сертификаты и гарантии парового котла 0.7 т / 700 кг / 1,7 кгс/cм² / 0,17 МПа / 130 °C на мазуте и отработанном масле

Гарантийный срок на паровой котел 0.7 т / 700 кг / 1,7 кгс/cм² / 0,17 МПа / 130 °C - мазут, отработанное масло 24 месяца.

Сертификат на котлы паровые КП
Сертификат на паровые котлы КП

Отзывы о продукции

Другая похожая продукция

Паровой мазутный котел 700 кг
Паровой котел 0.7 т / 700 кг / 0,7 кгс/cм² / 0,07 МПа / 115 °C - мазут, отработанное масло
Вид топки Мазутная горелка
Топливо Мазут
Производительность, кг/ч 700
Температура пара, не более, °С 110, 115
957 000 ₽
Паровой мазутный котел 700 кг
Паровой котел 0.7 т / 700 кг / 9 кгс/cм² / 0,9 МПа / 170 °C - мазут, отработанное масло
Вид топки Мазутная горелка
Топливо Мазут
Производительность, кг/ч 700
Температура пара, не более, °С 170
1 299 000 ₽
Паровой мазутный котел 500 кг
Паровой котел 0.5 т / 500 кг / 1,7 кгс/cм² / 0,17 МПа / 130 °C - мазут, отработанное масло
Вид топки Мазутная горелка
Топливо Мазут
Производительность, кг/ч 500
Температура пара, не более, °С 130
Цена по
запросу
Паровой мазутный котел 1000 кг
Паровой котел 1 т / 1000 кг / 1,7 кгс/cм² / 0,17 МПа / 130 °C - мазут, отработанное масло
Вид топки Мазутная горелка
Топливо Мазут
Производительность, кг/ч 1000
Температура пара, не более, °С 130
Цена по
запросу